Impianto idraulico e di filtrazione 6×3 mt
Raccorderia idraulica per piscine interrate private
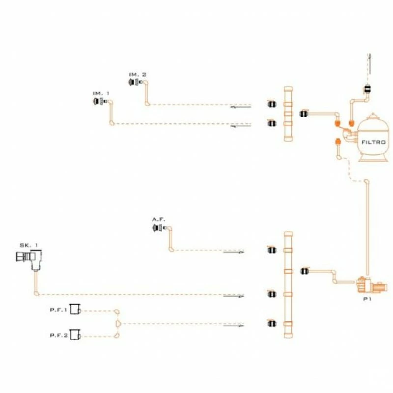
L’impianto idraulico 6×3 mt è disponibile in differenti tipologie e può essere installato per piscine interrate per uso privato.
Per la corretta funzionalità del sistema idraulico è necessario posizionare il locale tecnico a una distanza massima di 3 mt. Mentre, la pompa di filtrazione deve essere collocata allo stesso livello del piano base della piscina. Nel caso di distanza superiore a quella indicata occorrerà integrare la tubazione semirigida e valutare l’installazione del gruppo filtrante.
Per l’installazione dell’impianto idraulico e di filtrazione è possibile scegliere tra 3 diverse proposte:
- Kit base, caratterizzato dal sistema idraulico e di filtrazione;
- Kit gold, completo del set precedente con luci e quadro elettrico;
- Kit top, dotato dell’impianto idraulico, di filtrazione, luci, quadro tecnico e sterilizzatore al sale con regolatore di pH.
Per coloro che acquisteranno uno di questi kit riceveranno il disegno esecutivo realizzato da un nostro ingegnere con le quote d’installazione dei vari accessori.
Questi impianti per piscina interrata dotati di uno skimmer sfioratore Hayward in ABS con cestello raccogli impurità, coperchio ispezionabile e aletta flottante, 2 pozzetti di fondo in ABS fondamentali per lo svuotamento della piscina e per diversificare modalità di filtrazione, 2 bocchette di immissione a parete filettata per il ricircolo dell’acqua, presa a spazzola o aspirafango collegabile al tubo flessibile per la pulizia della piscina interrata e il regolatore di livello, accessorio che consente di compensare la naturale evaporazione dell’acqua al fine di evitare che un livello d’acqua troppo basso possa provocare sia un’entrata d’aria nello skimmer che il blocco della pompa di filtrazione.
Modelli di impianto idraulico per piscina interrata
| Impianto idraulico | Kit Base | Kit Gold | Kit Top |
| Raccorderia | ✔ | ✔ | ✔ |
| Kit di filtrazione | ✔ | ✔ | ✔ |
| Fari a led | ✔ | ✔ | |
| Quadro elettrico | ✔ | ✔ | |
| Pozzetti ispezione per fari | ✔ | ✔ | |
| Sterilizzatore al sale | ✔ | ||
| Pompa peristaltica pH | ✔ |
Esploso dei componenti
Kit Base
- 6 Gomiti ad incollaggio FF a 90° Ø 50
- 3 Gomiti ad incollaggio MF a 90° Ø 50
- 6 Collari per tubo di plastica 50
- 4 Raccordi T femmina da incollare Ø 50
- 3 Raccordi da 2″”x50 mm filetto/incollaggio
- 11 Valvole sfera da incollare Ø 50
- 4 Mt Tubo PVC rigido ø 50
- 1 Colla Tangit con pennello da 250 gr
- 2 Rotoli di nastro teflon professionale
- 75 mt Tubo PVC flessibile da Ø 50
- 4 Passanti a muro in ABS per piscine in cemento L 250 mm e attacchi F ø 50 mm e F ø2″
- Collettore professionale aspirazione a 3 vie in pvc diametro 90 mm
- Collettore professionale immissori a 2 vie in pvc diametro 90 mm
- 2 Collare diametro 90 mm per collettore
- 5 Bocchettoni filetto/incollaggio da 1”1/2 x 50 mm
- Motore da 400 watt con pre filtro
- Filtro a sabbia da 7 mc nominali
- Base per filtro a sabbia completo
- 25 Kg di sabbia quarzifera con granulometria 0,4-0,8 mm
Kit Gold
- 6 Gomiti ad incollaggio FF a 90° Ø 50
- 3 Gomiti ad incollaggio MF a 90° Ø 50
- 6 Collari per tubo di plastica 50
- 4 Raccordi T femmina da incollare Ø 50
- 3 Raccordi da 2″”x50 mm filetto/incollaggio
- 11 Valvole sfera da incollare Ø 50
- 4 Mt Tubo PVC rigido ø 50
- 1 Colla Tangit con pennello da 250 gr
- 2 Rotoli di nastro teflon professionale
- 75 mt Tubo PVC flessibile da Ø 50
- 6 Passanti a muro in ABS per piscine in cemento L 250 mm e attacchi F ø 50 mm e F ø2″
- Collettore professionale aspirazione a 3 vie in pvc diametro 90 mm
- Collettore professionale immissori a 2 vie in pvc diametro 90 mm
- 2 Collare diametro 90 mm per collettore
- 5 Bocchettoni filetto/incollaggio da 1″1/2 x 50 mm
- 2 Pozzetti di ispezione da montare in prossimità dei fari
- 2 Fari a led Bianchi o RGB
- 1 Quadro elettrico Hayward monofase con trasformatore per fari incluso
- Motore da 400 watt con pre filtro
- Filtro a sabbia da 7 mc nominali
- Base per filtro a sabbia completo
- 25 Kg di sabbia quarzifera con granulometria 0,4-0,8 mm
Kit Top
- 6 Gomiti ad incollaggio FF a 90° Ø 50
- 3 Gomiti ad incollaggio MF a 90° Ø 50
- 6 Collari per tubo di plastica 50
- 4 Raccordi T femmina da incollare Ø 50
- 3 Raccordi da 2″”x50 mm filetto/incollaggio
- 14 Valvole sfera da incollare Ø 50
- 4 Mt Tubo PVC rigido ø 50
- 1 Colla Tangit con pennello da 250 gr
- 2 Rotoli di nastro teflon professionale
- 75 mt Tubo PVC flessibile da Ø 50
- 4 Passanti a muro in ABS per piscine in cemento L 250 mm e attacchi F ø 50 mm e F ø2″
- Collettore professionale aspirazione a 3 vie in pvc diametro 90 mm
- Collettore professionale immissori a 2 vie in pvc diametro 90 mm
- 2 Collare diametro 90 mm per collettore
- 5 Bocchettoni filetto/incollaggio da 1″1/2 x 50 mm
- 2 Pozzetti di ispezione da montare in prossimità dei fari
- 2 Fari a led Bianchi o RGB
- 1 Quadro elettrico Hayward monofase con trasformatore per fari incluso
- Sterilizzatore al sale Hayward con incluso il sensore di flusso
- Pompa peristaltica per la gestione del pH
- 1 Curva ad incollaggio FF da 50 mm
- 2 metri di tubo rigido
- 1 Riduzione corta e ed 1 riduttore 75x63x50
- Motore da 400 watt con pre filtro
- Filtro a sabbia da 7 mc nominali
- Base per filtro a sabbia completo
- 25 Kg di sabbia quarzifera con granulometria 0,4-0,8 mm
















Recensioni
Ancora non ci sono recensioni.